Actualización 24-08-2020
| ACTUALIZACIÓN EXCLUSIVA PARA CLIENTES ABONADOS AL SERVICIO POST-VENTA | |
![]() |
|
|
Estimados clientes: Le recordamos que ya se encuentra disponible una nueva versión del sistema, denominada Winmaker 10. Recomendamos tener siempre el sistema actualizado para : |
|
| 1-Experimentar nuevas funciones. | |
| 2-Tener los productos del mercado actualizados. | |
| 3-Mejorar el desempeño y estabilidad del sistema. | |
| 4-Tener un software compatible con las últimas versiones de Windows. | |
|
Si usted NO ESTA ABONADO al servicio de Post-venta y quiere obtener esta versión, consultenos: |
![]() |
|
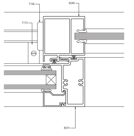
ALUAR -Corrediza fijo-movil A-40, nueva opción de corrediza con perfiles nuevos.
-Nuevo perfil de batiente de Modena RPT, permite hacer la tipología de ventana y puerta de abrir de 2 hojas,
Actualizaciones anteriores 2020 Actualización Winmaker 15 de junio 2020 Actualización Winmaker 27 de abril 2020 Actualización Winmaker 30 de Marzo 2020 Actualización Winmaker 4 de Marzo 2020 Actualización Winmaker Enero 2020
Video Demo Winmaker 10 |
|
| Consultas frecuentes | ||
| ¿Como obtengo esta actualización? | ||
|
|
Si usted esta abonado al servicio de Post-Venta, ejecuta el "Live-Update" y la actualización del sistema exe. | |
| ¿Porque no pude instalar la actualización? | ||
| Si usted no puede actualizar es porque no esta abonado al servicio de Post-Venta. Caso contrario comuníquese con nosotros. | ||





Leptonpack - Novedades Julio 2025